
袋式精细过滤器是由容器、滤袋、支撑网篮三部分构成一个简便、高效、通用的液体过滤系统。需要过滤的流体,由上口进入滤袋,液体中的固态物质会被阻留在袋内,从而得到清洁的流体,由于其使用简便,经济合理,因而广泛用于石油产品、化工产品、油漆、食品及饮料、污水等方面过滤。
袋式精细过滤器具有高流通能力,高过滤精度,低成本,操作简便、快速等特点。适用于任何微细颗粒(少于1000ppm)的过滤,精度范围可从1至1000μm及1至1000m3/h的液体过滤。


示例:HLFB-4ⅡS表示内置4只滤袋,壳体不锈钢材质的袋式精细过滤器。
袋式精细过滤器产品系列
1、单袋式精细过滤器HLFB-Ⅰ型
| 型号 | 流量 m3/h |
过滤 面积 m2 |
安装尺寸mm | ||||
| H | L | h1 | h2 | h3 | |||
| HLFB -ⅠA |
18 | 0.24 | 965 -1110 |
300 | 380 | 120-265 | 465 |
| HLFB -ⅠB |
36 | 0.48 | 1230 -1725 |
300 | 710 | 0-495 | 695 |
①表中所列流量以水为介质,
②设备工作压力≤1.0Mpa,
③进出口接管规格:DN50、PN1.6。

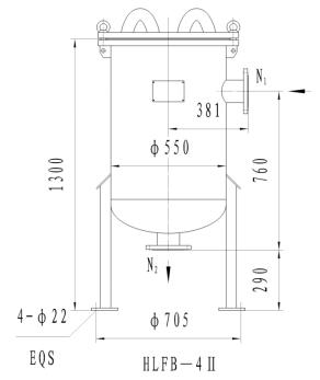
四袋式精细过滤器HLFB-4Ⅱ
主要技术参数:
工作压力≤1.0MPa
工作温度≤200℃
处理量:140m3/h(以水为介质)
进出口接管规格:DN100PN1.6

| 型号 | 流量 m3/h |
安装尺寸mm | |||||||
| H | h1 | h2 | h3 | h4 | L1 | L2 | D | ||
| HLFB-5Ⅱ | 180 | 1800 | 780 | 580 | 200 | 300 | 340 | 520 | φ650 |
| HLFB-6Ⅱ | 216 | ||||||||
| HLFB-7Ⅱ | 252 | 2050 | 780 | 790 | 290 | 300 | 260 | 500 | φ800 |
| HLFB-8Ⅱ | 288 | ||||||||
②进出口N1、N2接管规格,HLFB—5、6Ⅱ为
DN100、PN1.6,HLFB—7、8ⅡE为DN150、PN1.6。
③超过8只滤袋我厂可非标设计,最大筒体直径为DN2200。

3、并联式袋式精细过滤器HLFB-Ⅲ型
| 型号 | 流量 m3/h |
安装尺寸mm | |||
| H | h1 | h2 | h3 | ||
| HLFB -ⅢA |
36 | 1040 -1190 |
500 | 210 -360 |
695 |
| HLFB -ⅢB |
72 | 1175 -1540 |
850 | 0 -360 |
|
①表中所列流量以水为介质,工作压力≤1.0Mpa
②进出口接管规格:DN65、PN1.6。

袋式精细过滤器典型的应用领域
石油化工:
1、航空煤油及润滑油的过滤;
2、石油及燃料油添加剂的过滤;
3、油品回收;
4、石油及天然气脱硫脱水溶剂的过滤;
5、PVC生产中液体及气体过滤;
化学品:
1、催化剂回收;
2、酸、碱和溶剂的滤清;
3、碳墨及助滤剂的去除;
4、管道结垢的去除;
5、乳液和悬浮液的过滤;
精细化工:
1、催化剂回收;
2、去除表面活性剂结晶盐份;
3、X—射线悬物的滤清;
4、洗涤剂的滤清;
5、化妆品原料及成品的过滤;
粘结剂:
1、从丙烯酸粒结剂中去除凝胶;
2、树脂及结晶物的去除;
3、去除胶性涂料中凝结块;
4、热溶聚合物的过滤;
5、去除悬浮液中的PVA凝结块;
水处理:
1、海水去除颗粒;
2、离子交换树脂回收;
3、冷却装置中系统净化;
4、管道结垢的清除;
5、矿泉水中去泥沙;
6、用于水处理的化学品过滤;
7、城市供水的滤清;
8、钙结晶的去除;
9、油田注水和完井液的过滤;
涂料和油漆:
1、去除悬浮凝结块;
2、去除油漆凝结块;
3、去除油漆中的结块;
4、溶剂的过滤;
5、贮罐污物的去除;
6、球磨机填塞物的去除;
食品及饮料:
1、啤酒中Polyclar的过滤;
2、葡萄酒、威士忌和啤酒的抛光过滤;
3、烹饪油中杂质颗粒的去除;
4、去除纤维素中的碳黑;
5、玉米糖浆的抛光过滤;
6、动植物提取液的滤清;
7、食用醋和酱油的抛光过滤;
8、听罐涂层的涂料过滤;
9、洗瓶用碱洗的过滤;
- 上一篇: 滤芯式精细过滤器
- 下一篇: FN型非金属滤芯过滤器




